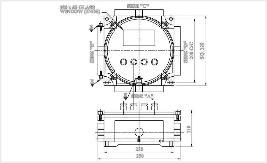
FLP / WP Weigh Indicator - 220 mm Dia

Weight Indicator
Weight Indicator 220

Technical Specification

Catalogue No. PFP/IB/220
Type of Ex-Protection AS PER IS 2148-2004 / IEC-60079-1:2007
Zone Classification Zone 1 & Zone 2
Gas Group Gas Group I, IIA, IIB
Ingress IP Protection IP-65 IS / IEC60529-2001
Material of Contraction Die Cast Aluminum Alloy LM6
Green Push Button 4 Nos. PUSH with NO Contact element for 10 AMP
Switch 1 NO 12A DP, ON-OFF Switch 250V A.C. 50Hz
Glass Window 100 X 50 mm with Type "A" Toughened with Mt. Clamp 02 Nos.
Terminal As Per Client Requirements
Paint Epoxy Polyester Powder Coating
Earthling Internal: 01 No. & External: 2 Nos.
Cable Entry As Per Client Requirements
Hardware Stainless Steel
Patco Whatsapp